A PHP Error was encountered

Severity: Notice

Message: Undefined variable: brand

Filename: controllers/

Line Number: 439

Backtrace:

File: D:\wwwroot\\application\controllers\
Line: 439
Function: _error_handler

File: D:\wwwroot\\
Line: 315
Function: require_once

d 508.000-1092.200mm-甘肃j9国际站登录有限公司
全部商品分类
  • 尺寸,mm

  • 尺寸,mm d

    ( 508.000 )mm

    ( 533.400 )mm

    ( 536.575 )mm

    ( 539.750 )mm

    ( 549.097 )mm

    ( 549.275 )mm

    ( 558.800 )mm

    ( 571.500 )mm

    ( 584.200 )mm

    ( 596.900 )mm

    ( 602.945 )mm

    ( 609.346 )mm

    ( 609.396 )mm

    ( 609.600 )mm

    ( 615.950 )mm

    ( 635.000 )mm

    ( 660.235 )mm

    ( 660.400 )mm

    ( 673.100 )mm

    ( 679.450 )mm

    ( 682.625 )mm

    ( 759.925 )mm

    ( 762.000 )mm

    ( 801.688 )mm

    ( 838.200 )mm

    ( 1092.200 )mm

  • 尺寸,mm D

    ( 635.000 )mm

    ( 685.800 )mm

    ( 692.150 )mm

    ( 708.025 )mm

    ( 736.600 )mm

    ( 761.873 )mm

    ( 762.000 )mm

    ( 774.700 )mm

    ( 787.400 )mm

    ( 793.750 )mm

    ( 812.800 )mm

    ( 838.200 )mm

    ( 854.075 )mm

    ( 889.000 )mm

    ( 901.700 )mm

    ( 914.400 )mm

    ( 933.450 )mm

    ( 965.200 )mm

    ( 1041.400 )mm

    ( 1320.800 )mm

  • 尺寸,mm T

    ( 31.750 )mm

    ( 41.275 )mm

    ( 49.212 )mm

    ( 50.800 )mm

    ( 58.738 )mm

    ( 66.675 )mm

    ( 80.962 )mm

    ( 85.725 )mm

    ( 88.900 )mm

    ( 93.662 )mm

    ( 95.250 )mm

    ( 104.775 )mm

    ( 142.875 )mm

    ( 146.050 )mm

    ( 155.575 )mm

    ( 179.388 )mm

    ( 185.738 )mm

d 508.000-1092.200mm

产品参数
PDF
下载
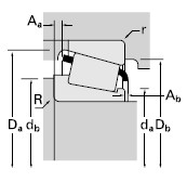
询价 尺寸,mm 额定载荷,N 轴承型号 轴承尺寸,mm 轴尺寸,mm 轴承座尺寸,mm 保持架 系数 重量kg
d D T 动载(1)
C1
系数(5)
e
系数(5)
Y
动载(2)
C90
动载(2)
Ca90
系数(5)
K
静载C0 内圈 外圈 B C a(3) 最大轴肩倒角半径
R(4)
轴肩直径
da
轴肩直径
db
最大挡肩倒角半径
r(4)
挡肩直径
Da
挡肩直径
Db
Aa Ab G1 G2 Gg
508.000838.200146.05035400000.481.259180007540001.226530000EE426200426330139.700104.77523.99.7552.0564.09.7768.0759.021.508.3066504350.2722276.10
533.400635.00050.8007620000.411.481980001370001.442040000LL575343LL57531050.80038.10050.86.4549.0558.06.4621.0612.04.602.80481012000.227028.27
536.575761.873146.05039300000.331.8010200005800001.769250000M276449M276410146.050114.300-9.76.4570.0576.06.4725.5711.013.305.50106006140.2839202.61
539.750635.00050.8007620000.411.481980001370001.442040000LL575349LL57531050.80038.10050.86.4555.0564.06.4621.0612.04.602.80481012000.227026.14
549.097692.15080.96214900000.381.593860002490001.553970000L476548L47651080.96261.91232.36.4570.0579.06.4666.0657.08.602.6072608890.256767.26
549.275692.15080.96214900000.381.593860002490001.553970000L476549L47651080.96261.91232.36.4570.0579.06.4666.0657.08.602.6072608890.256767.17
558.800736.600104.77525200000.351.736530003870001.696370000LM377449LM377410104.77580.96215.76.4585.0594.06.4708.0696.09.005.5093109070.2735113.21
571.500812.800155.57544400000.331.8011500006560001.7610600000M278749M278710155.575120.650-11.46.4609.0615.06.4773.5756.015.105.80124006690.2990244.54
584.200685.80049.2127830000.441.372030001520001.342280000LL778149LL77811049.21234.92564.53.5600.0603.03.3669.0663.05.102.60598015800.249428.83
596.900685.80031.7503370000.531.1487400788001.1196300068023568027031.75025.40096.03.5615.0615.03.3669.0663.01.801.50374018100.222516.76
602.945787.40093.66222300000.371.625790003670001.585620000EE64923764931093.66269.85031.56.4630.0639.06.4755.5747.011.206.2093809290.2790110.72
609.346787.40093.66222300000.371.625790003670001.585620000EE64923864931093.66269.85031.56.4633.0642.06.4755.5747.011.206.2093809290.2790106.26

商品技术咨询

我们的专业技术人员会向你提供帮助。受理时间:09:00~18:00(周一~周五,不包括中国法定节)

邮件咨询:88888888

咨询电话:88888888