A PHP Error was encountered

Severity: Notice

Message: Undefined variable: brand

Filename: controllers/

Line Number: 439

Backtrace:

File: D:\wwwroot\\application\controllers\
Line: 439
Function: _error_handler

File: D:\wwwroot\\
Line: 315
Function: require_once

d 101.600-110.000mm-甘肃j9国际站登录有限公司
全部商品分类
  • 尺寸,mm

  • 尺寸,mm d

    ( 101.600 )mm

    ( 101.600 )mm

    ( 103.188 )mm

    ( 104.775 )mm

    ( 106.000 )mm

    ( 106.362 )mm

    ( 106.975 )mm

    ( 107.950 )mm

    ( 109.538 )mm

    ( 109.952 )mm

    ( 109.975 )mm

    ( 109.987 )mm

    ( 109.992 )mm

    ( 110.000 )mm

  • 尺寸,mm D

    ( 142.083 )mm

    ( 146.050 )mm

    ( 146.975 )mm

    ( 152.400 )mm

    ( 158.750 )mm

    ( 159.987 )mm

    ( 160.000 )mm

    ( 161.925 )mm

    ( 165.000 )mm

    ( 165.100 )mm

    ( 168.275 )mm

    ( 171.450 )mm

    ( 177.800 )mm

    ( 179.974 )mm

    ( 180.000 )mm

    ( 180.975 )mm

    ( 190.500 )mm

    ( 200.000 )mm

    ( 212.725 )mm

    ( 214.312 )mm

    ( 214.975 )mm

    ( 215.000 )mm

    ( 250.825 )mm

  • 尺寸,mm T

    ( 15.875 )mm

    ( 21.433 )mm

    ( 23.020 )mm

    ( 28.500 )mm

    ( 34.000 )mm

    ( 34.925 )mm

    ( 35.000 )mm

    ( 36.512 )mm

    ( 39.688 )mm

    ( 41.275 )mm

    ( 47.000 )mm

    ( 47.625 )mm

    ( 48.000 )mm

    ( 52.761 )mm

    ( 55.562 )mm

    ( 57.150 )mm

    ( 61.500 )mm

    ( 64.798 )mm

    ( 66.675 )mm

    ( 76.200 )mm

d 101.600-110.000mm

产品参数
PDF
下载
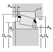
询价 尺寸,mm 额定载荷,N 轴承型号 轴承尺寸,mm 轴尺寸,mm 轴承座尺寸,mm 保持架 系数 重量kg
d D T 动载(1)
C1
系数(5)
e
系数(5)
Y
动载(2)
C90
动载(2)
Ca90
系数(5)
K
静载C0 内圈 外圈 B C a(3) 最大轴肩倒角半径
R(4)
轴肩直径
da
轴肩直径
db
最大挡肩倒角半径
r(4)
挡肩直径
Da
挡肩直径
Db
Aa Ab G1 G2 Gg
101.600161.92539.6882070000.471.2653600436001.23343000524005263836.11629.370-5.13.5111.0117.03.3154.0143.04.402.5017541.70.15192.80
101.600168.27541.2752450000.471.2863500512001.2438600068767241.27530.162-2.83.5112.0118.03.3160.0149.05.002.0018237.20.10563.36
101.600168.27541.2752450000.471.2863500512001.24386000687672A41.27534.925-2.83.5112.0118.03.3160.0149.05.002.0018237.20.10563.46
101.600171.45041.2752450000.471.2863500512001.2438600068767441.27530.162-2.83.5112.0118.03.3160.0150.05.002.0018237.20.10563.54
101.600177.80034.9251580001.170.5140900821000.50219000LM921845LM92181031.75019.05034.53.3119.0128.03.3172.0154.08.903.3011437.40.11533.10
101.600180.00048.0003200000.391.5683100548001.5149500078077348.00640.000-8.13.5113.0119.03.0168.0160.03.601.3022738.20.10675.00
101.600180.97547.6253200000.391.5683100548001.5149500078077248.00638.100-8.13.5113.0119.03.3168.0161.03.601.3022738.20.10675.03
101.600190.50057.1504240000.331.79110000630001.7463000086185457.53144.450-15.28.0114.0129.03.3174.0170.05.600.6026444.90.10726.79
101.600190.50057.1504940000.331.79128000734001.74692000HH221449AHH22141057.53146.038-15.03.5116.0122.03.3179.0171.02.503.2026628.40.10727.27
101.600190.50057.1504940000.331.79128000734001.74692000HH221449HH22141057.53146.038-15.08.0116.0131.03.3179.0171.02.503.2026628.40.10727.20
101.600200.00052.7613760000.630.95975001060000.92519000984009878849.21234.9251.33.5120.5128.03.3188.0174.08.605.4020337.40.11976.76
101.600212.72566.6755300000.331.84137000766001.7978600094193266.67553.975-19.87.0117.0130.03.3193.0187.06.701.2033939.70.115310.95

商品技术咨询

我们的专业技术人员会向你提供帮助。受理时间:09:00~18:00(周一~周五,不包括中国法定节)

邮件咨询:88888888

咨询电话:88888888