A PHP Error was encountered

Severity: Notice

Message: Undefined variable: brand

Filename: controllers/

Line Number: 439

Backtrace:

File: D:\wwwroot\\application\controllers\
Line: 439
Function: _error_handler

File: D:\wwwroot\\
Line: 315
Function: require_once

d 41.275mm-甘肃j9国际站登录有限公司
全部商品分类
  • 尺寸,mm

  • 尺寸,mm d

    ( 41.275 )mm

    ( 41.275 )mm

  • 尺寸,mm D

    ( 73.431 )mm

    ( 76.200 )mm

    ( 79.375 )mm

    ( 80.000 )mm

    ( 80.035 )mm

    ( 80.167 )mm

    ( 81.755 )mm

    ( 82.550 )mm

    ( 84.138 )mm

    ( 85.725 )mm

    ( 87.312 )mm

    ( 88.500 )mm

    ( 88.900 )mm

    ( 90.000 )mm

    ( 90.488 )mm

    ( 92.075 )mm

    ( 93.662 )mm

    ( 95.250 )mm

  • 尺寸,mm T

    ( 18.009 )mm

    ( 19.558 )mm

    ( 20.000 )mm

    ( 20.638 )mm

    ( 21.000 )mm

    ( 21.430 )mm

    ( 22.225 )mm

    ( 23.012 )mm

    ( 23.812 )mm

    ( 25.400 )mm

    ( 26.195 )mm

    ( 26.543 )mm

    ( 26.988 )mm

    ( 27.783 )mm

    ( 29.370 )mm

    ( 30.162 )mm

    ( 30.958 )mm

    ( 31.750 )mm

    ( 39.688 )mm

产品参数
PDF
下载
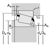
询价 尺寸,mm 额定载荷,N 轴承型号 轴承尺寸,mm 轴尺寸,mm 轴承座尺寸,mm 保持架 系数 重量kg
d D T 动载(1)
C1
系数(5)
e
系数(5)
Y
动载(2)
C90
动载(2)
Ca90
系数(5)
K
静载C0 内圈 外圈 B C a(3) 最大轴肩倒角半径
R(4)
轴肩直径
da
轴肩直径
db
最大挡肩倒角半径
r(4)
挡肩直径
Da
挡肩直径
Db
Aa Ab G1 G2 Cg
41.27573.43119.558584000.401.5015100104001.4674200LM501349LM50131019.81214.732-3.33.548.054.00.870.067.01.001.0023.313.30.07390.33
41.27573.43121.430584000.401.5015100104001.4674200LM501349LM50131419.81216.604-3.33.548.054.00.870.065.01.001.0023.313.30.07390.36
41.27573.43123.012584000.401.5015100104001.4674200LM501349LM50131119.81218.186-3.33.548.054.02.370.064.01.001.0023.313.30.07390.37
41.27576.20018.009445000.491.231150096301.2055100111621130017.38414.288-0.81.546.549.01.571.067.01.701.5019.212.80.07350.34
41.27576.20018.009445000.491.231150096301.2055100111631130017.38414.288-0.80.846.547.01.571.067.0**19.212.80.07350.34
41.27576.20022.225699000.391.5318100122001.4989200247802472023.02017.462-4.83.547.054.00.872.068.01.201.1026.412.50.07670.42
41.27576.20022.225699000.391.5318100122001.4989200247802472223.02017.462-4.83.547.054.03.372.066.01.201.1026.412.50.07670.42
41.27576.20022.225699000.391.5318100122001.4989200247812472023.02017.462-4.80.847.048.00.872.068.01.201.1026.412.50.07670.43
41.27576.20025.400699000.391.5318100122001.4989200247802472123.02020.638-4.83.547.054.02.372.066.01.201.1026.412.50.07670.46
41.27576.20025.400699000.391.5318100122001.4989200247812472123.02020.638-4.80.847.048.02.372.066.01.201.1026.412.50.07670.47
41.27579.37523.812843000.321.8821900119001.83110000268822682225.40019.050-7.43.547.054.00.874.071.01.401.2032.813.30.07700.52
41.27579.37523.812843000.321.8821900119001.83110000268852682225.40019.050-7.40.847.048.00.874.071.01.401.2032.813.30.07700.53

商品技术咨询

我们的专业技术人员会向你提供帮助。受理时间:09:00~18:00(周一~周五,不包括中国法定节)

邮件咨询:88888888

咨询电话:88888888