A PHP Error was encountered

Severity: Notice

Message: Undefined variable: brand

Filename: controllers/

Line Number: 439

Backtrace:

File: D:\wwwroot\\application\controllers\
Line: 439
Function: _error_handler

File: D:\wwwroot\\
Line: 315
Function: require_once

d 38.000-38.100mm-甘肃j9国际站登录设备有限公司
全部商品分类
  • 尺寸,mm

  • 尺寸,mm d

    ( 38.000 )mm

    ( 38.000 )mm

    ( 38.100 )mm

  • 尺寸,mm D

    ( 63.000 )mm

    ( 63.500 )mm

    ( 65.088 )mm

    ( 68.000 )mm

    ( 68.262 )mm

    ( 69.012 )mm

    ( 69.969 )mm

    ( 71.438 )mm

    ( 72.000 )mm

    ( 72.238 )mm

    ( 73.025 )mm

    ( 74.612 )mm

    ( 76.200 )mm

    ( 79.375 )mm

    ( 79.974 )mm

    ( 80.000 )mm

    ( 80.035 )mm

  • 尺寸,mm T

    ( 12.700 )mm

    ( 15.875 )mm

    ( 16.020 )mm

    ( 17.000 )mm

    ( 17.018 )mm

    ( 18.034 )mm

    ( 19.000 )mm

    ( 19.050 )mm

    ( 19.812 )mm

    ( 19.997 )mm

    ( 20.625 )mm

    ( 20.638 )mm

    ( 21.006 )mm

    ( 21.996 )mm

    ( 23.812 )mm

    ( 24.608 )mm

    ( 25.400 )mm

    ( 26.195 )mm

    ( 29.370 )mm

d 38.000-38.100mm

产品参数
PDF
下载
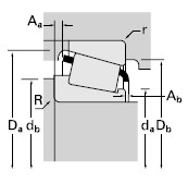
询价 尺寸,mm 额定载荷,N 轴承型号 轴承尺寸,mm 轴尺寸,mm 轴承座尺寸,mm 保持架 系数 重量kg
d D T 动载(1)
C1
系数(5)
e
系数(5)
Y
动载(2)
C90
动载(2)
Ca90
系数(5)
K
静载C0 内圈 外圈 B C a(3) 最大轴肩倒角半径
R(4)
轴肩直径
da
轴肩直径
db
最大挡肩倒角半径
r(4)
挡肩直径
Da
挡肩直径
Db
Aa Ab G1 G2 Cg
38.00063.00017.000398000.421.441030073601.4055000JL69349JL6931017.00013.500-2.30.042.546.51.360.056.00.501.3018.414.50.06920.20
38.00063.00017.000398000.421.441030073601.4055000JL69349XJL6931017.00013.500-2.32.343.047.01.360.056.00.601.3018.4150.06920.20
38.00068.00016.020469000.441.351220092601.315780019149X19267X16.52012.000-1.52.043.046.01.564.061.01.201.5017.511.50.06940.23
38.10063.50012.700251000.351.73652038601.6933000138891383011.9089.525-0.81.542.545.00.860.059.00.201.4014.823.30.06010.15
38.10065.08812.700251000.351.73652038601.6933000138891383611.9089.525-0.81.542.545.00.861.059.00.201.4014.823.30.06010.16
38.10065.08818.034450000.331.801170066401.7660300LM29748LM2971018.28813.970-4.13.542.549.01.362.059.00.701.1020.4150.06660.22
38.10065.08818.034450000.331.801170066401.7660300LM29749LM2971018.28813.970-4.12.342.546.51.362.059.00.701.1020.4150.06660.23
38.10065.08819.812450000.331.801170066401.7660300LM29749LM2971118.28815.748-4.12.342.546.51.362.058.00.701.1020.4150.06660.25
38.10068.26215.875469000.441.351220092601.3157800191501926816.52011.908-1.51.543.045.01.565.061.01.201.5017.511.50.06940.24
38.10068.26219.997469000.441.351220092601.3157800191501926916.52016.030-1.51.543.045.01.565.060.01.201.5017.511.50.06940.28
38.10069.01219.050525000.401.491360093701.4567900136851362019.05015.083-3.03.543.049.50.865.062.00.900.6020.710.90.07130.29
38.10069.01219.050525000.401.491360093701.4567900136851362119.05015.083-3.03.543.049.52.365.061.00.900.6020.710.90.07130.28

商品技术咨询

我们的专业技术人员会向你提供帮助。受理时间:09:00~18:00(周一~周五,不包括中国法定节)

邮件咨询:88888888

咨询电话:88888888