A PHP Error was encountered

Severity: Notice

Message: Undefined variable: brand

Filename: controllers/

Line Number: 439

Backtrace:

File: D:\wwwroot\\application\controllers\
Line: 439
Function: _error_handler

File: D:\wwwroot\\
Line: 315
Function: require_once

d 171.450-190.500mm-甘肃j9国际站登录机电设备有限公司
全部商品分类
  • 尺寸,mm

  • 尺寸,mm d

    ( 171.450 )mm

    ( 174.625 )mm

    ( 177.800 )mm

    ( 179.975 )mm

    ( 180.000 )mm

    ( 184.150 )mm

    ( 187.325 )mm

    ( 190.000 )mm

    ( 190.078 )mm

    ( 190.500 )mm

  • 尺寸,mm D

    ( 215.900 )mm

    ( 234.950 )mm

    ( 235.229 )mm

    ( 236.538 )mm

    ( 247.650 )mm

    ( 250.000 )mm

    ( 260.000 )mm

    ( 260.350 )mm

    ( 266.700 )mm

    ( 269.875 )mm

    ( 282.575 )mm

    ( 284.162 )mm

    ( 288.925 )mm

    ( 289.992 )mm

    ( 298.450 )mm

    ( 311.150 )mm

    ( 317.500 )mm

    ( 319.964 )mm

    ( 320.675 )mm

    ( 327.025 )mm

    ( 330.200 )mm

    ( 336.550 )mm

    ( 355.600 )mm

    ( 360.000 )mm

    ( 365.049 )mm

    ( 368.300 )mm

    ( 428.625 )mm

  • 尺寸,mm T

    ( 20.638 )mm

    ( 26.192 )mm

    ( 34.000 )mm

    ( 46.000 )mm

    ( 47.000 )mm

    ( 47.625 )mm

    ( 50.800 )mm

    ( 53.975 )mm

    ( 55.560 )mm

    ( 55.562 )mm

    ( 61.912 )mm

    ( 63.500 )mm

    ( 66.675 )mm

    ( 82.550 )mm

    ( 88.900 )mm

    ( 90.488 )mm

    ( 92.075 )mm

    ( 106.362 )mm

d 171.450-190.500mm

产品参数
PDF
下载
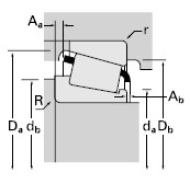
询价 尺寸,mm 额定载荷,N 轴承型号 轴承尺寸,mm 轴尺寸,mm 轴承座尺寸,mm 保持架 系数 重量kg
d D T 动载(1)
C1
系数(5)
e
系数(5)
Y
动载(2)
C90
动载(2)
Ca90
系数(5)
K
静载C0 内圈 外圈 B C a(3) 最大轴肩倒角半径
R(4)
轴肩直径
da
轴肩直径
db
最大挡肩倒角半径
r(4)
挡肩直径
Da
挡肩直径
Db
Aa Ab G1 G2 Gg
171.450260.35066.6756050000.401.491570001080001.451180000HM535349HM53531066.67552.388-8.63.5188.0192.03.3250.0236.06.002.107501160.126312.16
174.625247.65047.6253750000.441.3697200732001.33779000677866772047.62538.1004.88.0185.0200.03.3240.0229.04.801.806221220.12146.89
174.625247.65047.6253750000.441.3697200732001.33779000677876772047.62538.1004.83.5185.0192.03.3240.0229.04.801.806221220.12147.00
174.625260.35053.9754970000.331.80129000734001.76933000M236845M23681053.97541.275-6.63.5189.0193.03.3249.0241.04.603.206911000.11509.41
174.625288.92563.5006110000.471.281590001270001.251070000946879411363.50047.625-0.87.0193.0204.03.3272.0259.06.805.2069293.80.128715.72
174.625298.45082.5509090000.381.592360001520001.551520000EE21906821911782.55063.500-15.26.4193.0204.06.4282.0269.010.000.2084194.90.128622.09
174.625311.15082.5509090000.381.592360001520001.551520000EE21906821912282.55063.500-15.26.4193.0204.06.4282.0275.010.000.2084194.90.128625.10
174.625311.15082.55010400000.331.812690001520001.771680000H238148H23811082.55065.088-18.56.4195.0205.06.4288.5280.08.202.1091492.10.126525.48
177.800215.90020.6381130000.451.3329400226001.30252000LL735449LL73541020.63815.08317.81.5184.0186.01.5212.0207.01.301.603462410.18251.44
177.800247.65047.6253750000.441.3697200732001.33779000677906772047.62538.1004.83.5188.0194.03.3240.0229.04.801.806221220.12146.68
177.800247.65047.6253750000.441.3697200732001.33779000677916772047.62538.1004.810.5188.0208.03.3240.0229.04.801.806221220.12146.46
177.800260.35053.9754970000.331.80129000734001.76933000M236848M23681053.97541.275-6.68.0191.0204.03.3249.0241.04.603.206911000.11508.93

商品技术咨询

我们的专业技术人员会向你提供帮助。受理时间:09:00~18:00(周一~周五,不包括中国法定节)

邮件咨询:88888888

咨询电话:88888888