A PHP Error was encountered

Severity: Notice

Message: Undefined variable: brand

Filename: controllers/

Line Number: 439

Backtrace:

File: D:\wwwroot\\application\controllers\
Line: 439
Function: _error_handler

File: D:\wwwroot\\
Line: 315
Function: require_once

d 374.650-498.475mm-甘肃j9国际站登录有限公司
全部商品分类
  • 尺寸,mm

  • 尺寸,mm d

    ( 374.650 )mm

    ( 381.000 )mm

    ( 384.175 )mm

    ( 385.762 )mm

    ( 387.248 )mm

    ( 393.700 )mm

    ( 403.225 )mm

    ( 406.400 )mm

    ( 409.575 )mm

    ( 415.925 )mm

    ( 430.212 )mm

    ( 431.800 )mm

    ( 447.675 )mm

    ( 450.850 )mm

    ( 457.073 )mm

    ( 457.200 )mm

    ( 476.250 )mm

    ( 479.425 )mm

    ( 482.600 )mm

    ( 488.950 )mm

    ( 498.323 )mm

    ( 498.475 )mm

  • 尺寸,mm D

    ( 431.800 )mm

    ( 441.325 )mm

    ( 460.375 )mm

    ( 479.425 )mm

    ( 508.000 )mm

    ( 514.350 )mm

    ( 522.288 )mm

    ( 533.400 )mm

    ( 546.100 )mm

    ( 549.275 )mm

    ( 552.450 )mm

    ( 558.800 )mm

    ( 565.150 )mm

    ( 571.500 )mm

    ( 573.088 )mm

    ( 590.550 )mm

    ( 596.900 )mm

    ( 603.250 )mm

    ( 615.950 )mm

    ( 634.873 )mm

    ( 660.400 )mm

    ( 679.450 )mm

    ( 730.148 )mm

    ( 762.000 )mm

  • 尺寸,mm T

    ( 28.575 )mm

    ( 41.275 )mm

    ( 44.450 )mm

    ( 46.038 )mm

    ( 49.212 )mm

    ( 53.975 )mm

    ( 61.912 )mm

    ( 63.500 )mm

    ( 65.088 )mm

    ( 74.612 )mm

    ( 76.200 )mm

    ( 80.962 )mm

    ( 82.550 )mm

    ( 84.138 )mm

    ( 85.725 )mm

    ( 87.312 )mm

    ( 93.662 )mm

    ( 104.775 )mm

    ( 114.300 )mm

    ( 120.650 )mm

    ( 128.588 )mm

    ( 180.975 )mm

d 374.650-498.475mm

产品参数
PDF
下载
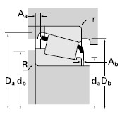
询价 尺寸,mm 额定载荷,N 轴承型号 轴承尺寸,mm 轴尺寸,mm 轴承座尺寸,mm 保持架 系数 重量kg
d D T 动载(1)
C1
系数(5)
e
系数(5)
Y
动载(2)
C90
动载(2)
Ca90
系数(5)
K
静载C0 内圈 外圈 B C a(3) 最大轴肩倒角半径
R(4)
轴肩直径
da
轴肩直径
db
最大挡肩倒角半径
r(4)
挡肩直径
Da
挡肩直径
Db
Aa Ab G1 G2 Gg
374.650431.80028.5752490000.331.8064500367001.76745000LL264648LL26461028.57520.63827.93.5384.0389.03.3424.0417.01.902.90216010500.20556.08
381.000479.42549.2125820000.501.211510001280001.181380000L865547L86551247.62534.92542.96.4395.0407.03.3465.0456.06.602.7022605290.189718.40
381.000508.00063.5006460000.531.131670001530001.101480000EE19215019220058.73838.10039.46.4400.0410.03.3482.0478.018.003.9022903980.195129.40
381.000522.28885.72513600000.391.563530002330001.512950000LM565949LM56591084.13861.9128.96.4402.0411.03.3499.5493.012.303.1033803780.202849.21
381.000546.100104.77519400000.331.805020002860001.764210000HM266446HM266410104.77582.550-7.16.4405.0415.06.4520.0507.09.105.4043802790.211676.52
381.000546.100104.77521000000.331.805450003110001.764730000HM266447HM266410104.77582.550-7.16.4405.0415.06.4520.0507.08.904.9047603010.217876.63
381.000590.550114.30024400000.331.806330003600001.765550000M268730M268710114.30088.900-9.46.4415.0425.06.4562.5549.010.606.0057504210.2319114.19
384.175441.32528.5752280000.341.7659100344001.72667000LL365348LL36531028.57520.63830.03.5393.0399.03.3433.0427.02.003.00206011600.20336.14
384.175546.100104.77519400000.331.805020002860001.764210000HM266448HM266410104.77582.550-7.16.4407.0417.06.4520.0507.09.105.4043802790.211674.95
384.175546.100104.77521000000.331.805450003110001.764730000HM266449HM266410104.77582.550-7.16.4407.0417.06.4520.0507.08.904.9047603010.217875.07
385.762514.35082.55013300000.421.433440002460001.403160000LM665949LM66591082.55063.50016.36.4406.0415.03.3495.0482.09.402.8037404800.215544.79
387.248546.10087.31216000000.421.444140002960001.403940000M667935M66791187.31268.26217.86.4414.0424.06.4527.0510.08.102.7046404980.231663.17

商品技术咨询

我们的专业技术人员会向你提供帮助。受理时间:09:00~18:00(周一~周五,不包括中国法定节)

邮件咨询:88888888

咨询电话:88888888