A PHP Error was encountered

Severity: Notice

Message: Undefined variable: brand

Filename: controllers/

Line Number: 439

Backtrace:

File: D:\wwwroot\\application\controllers\
Line: 439
Function: _error_handler

File: D:\wwwroot\\
Line: 315
Function: require_once

d 39.688-41.275mm-甘肃j9国际站登录有限公司
全部商品分类
  • 尺寸,mm

  • 尺寸,mm d

    ( 39.688 )mm

    ( 39.688 )mm

    ( 39.980 )mm

    ( 39.987 )mm

    ( 40.000 )mm

    ( 40.483 )mm

    ( 40.987 )mm

    ( 41.000 )mm

    ( 41.275 )mm

  • 尺寸,mm D

    ( 67.975 )mm

    ( 68.000 )mm

    ( 73.025 )mm

    ( 73.431 )mm

    ( 75.000 )mm

    ( 76.200 )mm

    ( 80.000 )mm

    ( 80.035 )mm

    ( 80.167 )mm

    ( 82.550 )mm

    ( 84.138 )mm

    ( 85.000 )mm

    ( 85.725 )mm

    ( 87.312 )mm

    ( 88.500 )mm

    ( 88.900 )mm

    ( 90.000 )mm

    ( 90.119 )mm

    ( 90.975 )mm

    ( 95.250 )mm

    ( 107.950 )mm

    ( 120.650 )mm

  • 尺寸,mm T

    ( 16.667 )mm

    ( 17.500 )mm

    ( 19.000 )mm

    ( 19.558 )mm

    ( 20.142 )mm

    ( 20.625 )mm

    ( 20.638 )mm

    ( 21.000 )mm

    ( 21.006 )mm

    ( 23.000 )mm

    ( 23.812 )mm

    ( 24.765 )mm

    ( 25.400 )mm

    ( 26.000 )mm

    ( 26.988 )mm

    ( 27.783 )mm

    ( 29.370 )mm

    ( 30.162 )mm

    ( 32.000 )mm

    ( 33.000 )mm

    ( 35.250 )mm

    ( 36.512 )mm

    ( 41.275 )mm

d 39.688-41.275mm

产品参数
PDF
下载
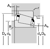
询价 尺寸,mm 额定载荷,N 轴承型号 轴承尺寸,mm 轴尺寸,mm 轴承座尺寸,mm 保持架 系数 重量kg
d D T 动载(1)
C1
系数(5)
e
系数(5)
Y
动载(2)
C90
动载(2)
Ca90
系数(5)
K
静载C0 内圈 外圈 B C a(3) 最大轴肩倒角半径
R(4)
轴肩直径
da
轴肩直径
db
最大挡肩倒角半径
r(4)
挡肩直径
Da
挡肩直径
Db
Aa Ab G1 G2 Cg
39.68880.00023.812843000.321.8821900119001.83110000268812682425.40019.050-7.43.545.552.01.374.070.01.401.2032.813.30.07700.55
39.68880.03529.3701060000.272.2027600129002.141290003386333930.39123.812-10.90.845.546.51.574.571.01.801.1034.612.10.07440.66
39.68880.16725.400843000.321.8821900119001.83110000268802682025.40020.638-7.41.545.548.03.374.069.01.401.2032.813.30.07700.58
39.68880.16725.400843000.321.8821900119001.83110000268802683025.40020.638-7.41.545.548.00.874.071.01.401.2032.813.30.07700.59
39.68880.16725.400843000.321.8821900119001.83110000268812682025.40020.638-7.43.545.552.03.374.069.01.401.2032.813.30.07700.57
39.68880.16725.400843000.321.8821900119001.83110000268812683025.40020.638-7.43.545.552.00.874.071.01.401.2032.813.30.07700.58
39.68880.16729.3701060000.272.2027600129002.141290003382332030.39123.812-10.93.545.552.03.375.070.01.801.1034.612.10.07440.65
39.68880.16729.3701060000.272.2027600129002.141290003382333130.39123.812-10.93.545.552.00.874.572.01.801.1034.612.10.07440.66
39.68880.16729.3701060000.272.2027600129002.141290003386332030.39123.812-10.90.845.546.53.375.070.01.801.1034.612.10.07440.65
39.68880.16729.3701060000.272.2027600129002.141290003386333130.39123.812-10.90.845.546.50.874.572.01.801.1034.612.10.07440.66
39.68880.16729.370843000.321.8821900119001.83110000268802682125.40024.608-7.41.545.548.03.374.068.01.401.2032.813.30.07700.64
39.68884.13829.3701060000.272.2027600129002.141290003382332830.39123.812-10.93.545.552.03.376.072.01.801.1034.612.10.07440.74

商品技术咨询

我们的专业技术人员会向你提供帮助。受理时间:09:00~18:00(周一~周五,不包括中国法定节)

邮件咨询:88888888

咨询电话:88888888