A PHP Error was encountered

Severity: Notice

Message: Undefined variable: brand

Filename: controllers/

Line Number: 439

Backtrace:

File: D:\wwwroot\\application\controllers\
Line: 439
Function: _error_handler

File: D:\wwwroot\\
Line: 315
Function: require_once

d 52.388-54.987mm-甘肃j9国际站登录设备有限公司
全部商品分类
  • 尺寸,mm

  • 尺寸,mm d

    ( 52.388 )mm

    ( 53.975 )mm

    ( 54.487 )mm

    ( 54.987 )mm

  • 尺寸,mm D

    ( 87.312 )mm

    ( 88.900 )mm

    ( 95.250 )mm

    ( 96.838 )mm

    ( 98.425 )mm

    ( 100.000 )mm

    ( 103.188 )mm

    ( 104.775 )mm

    ( 107.950 )mm

    ( 110.000 )mm

    ( 111.125 )mm

    ( 112.712 )mm

    ( 117.475 )mm

    ( 120.650 )mm

    ( 122.238 )mm

    ( 123.825 )mm

    ( 127.000 )mm

    ( 130.175 )mm

    ( 134.983 )mm

    ( 136.525 )mm

    ( 140.030 )mm

  • 尺寸,mm T

    ( 18.258 )mm

    ( 19.050 )mm

    ( 21.000 )mm

    ( 27.783 )mm

    ( 27.795 )mm

    ( 30.162 )mm

    ( 32.558 )mm

    ( 33.338 )mm

    ( 33.449 )mm

    ( 34.130 )mm

    ( 36.512 )mm

    ( 38.100 )mm

    ( 38.895 )mm

    ( 39.688 )mm

    ( 41.275 )mm

    ( 43.658 )mm

    ( 44.450 )mm

    ( 50.800 )mm

d 52.388-54.987mm

产品参数
PDF
下载
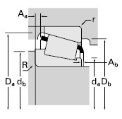
询价 尺寸,mm 额定载荷,N 轴承型号 轴承尺寸,mm 轴尺寸,mm 轴承座尺寸,mm 保持架 系数 重量kg
d D T 动载(1)
C1
系数(5)
e
系数(5)
Y
动载(2)
C90
动载(2)
Ca90
系数(5)
K
静载C0 内圈 外圈 B C a(3) 最大轴肩倒角半径
R(4)
轴肩直径
da
轴肩直径
db
最大挡肩倒角半径
r(4)
挡肩直径
Da
挡肩直径
Db
Aa Ab G1 G2 Cg
52.388112.71230.162985000.880.6825500386000.66119000552065544326.90920.6387.13.564.072.03.3106.092.04.803.2036.813.20.10851.27
53.97587.31218.258581000.391.5415100100001.5095600L507945L50791018.25814.288-0.81.560.062.01.583.079.00.302.0046.136.90.09140.43
53.97588.90019.050606000.551.1015700147001.0781800LM806649LM80661019.05013.4922.32.361.065.02.085.080.01.501.6031.822.10.09000.42
53.97595.25027.7831200000.331.8231100176001.77161000338953382128.57522.225-7.61.560.063.02.390.085.01.302.2052.518.50.09100.80
53.97595.25027.7831200000.331.8231100176001.77161000338953382228.57522.225-7.61.560.063.00.890.086.01.302.2052.518.50.09100.80
53.97596.83821.000842000.351.6921800132001.65107000389A382A21.94615.875-3.00.860.061.00.892.089.01.102.004215.70.08590.64
53.97598.42521.000842000.351.6921800132001.65107000389A38221.94617.826-3.00.860.061.00.892.090.01.102.004215.70.08590.69
53.975100.00021.000842000.351.6921800132001.65107000389A383A21.94617.826-3.00.860.061.02.093.089.01.102.004215.70.08590.72
53.975104.77530.1621420000.331.8036800209001.76189000452874522030.95823.812-8.10.862.062.03.399.093.02.101.8063.516.90.09711.15
53.975104.77530.1621420000.331.8036800209001.76189000452874522130.95823.812-8.10.862.062.00.899.095.02.101.8063.516.90.09711.15
53.975104.77530.1621260000.341.7932600187001.74166000456453X29.31724.605-7.13.561.068.03.398.092.02.201.4058.617.10.09461.11
53.975104.77536.5121590000.491.2341200344001.20223000HM807049AHM80701136.51228.575-7.41.563.069.00.8100.091.03.401.9063.917.10.07601.39

商品技术咨询

我们的专业技术人员会向你提供帮助。受理时间:09:00~18:00(周一~周五,不包括中国法定节)

邮件咨询:88888888

咨询电话:88888888